0
¥0

現在カート内に商品はございません。



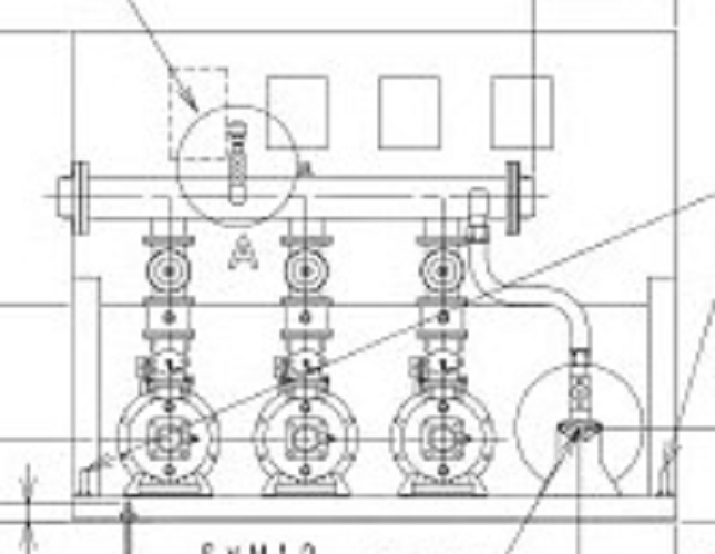
32BNEME0.75N ebara inverter pump推定末端圧力一定台数制御給水ユニット(インバータ方式)荏原 3台ローテーション2台並列運転

32BNEME0.75N ebara inverter pump推定末端圧力一定台数制御給水ユニット(インバータ方式)荏原 3台ローテーション2台並列運転

通常価格:¥5,248,100 税込
¥1,574,100 税込
商品コード: E00341
関連カテゴリ
数量
カートに追加しました。
お買い物を続ける カートへ進む
3台ローテーション2台並列運転 製品紹介 ①省エネルギーを十分に発揮する推定末端圧力一定制御 使用水量に応じ、配管抵抗分の圧力損失を加減し、吐出し圧力を変化させる制御方式で吐出し圧力一定制御より消費動力を更に小さくしました。② モード運転 運転状態を監視して給水率が低く比較的小水量側での運転状態になると、最低圧力可変制御・新小水量停止制御で、無駄な圧力・運転時間を省き「更なる省エネ」を図ります。③NFC通信機能フレッシャーLINK コントローラにNFC通信機能を搭載。専用アプリ【フレッシャーLINK】をインストールしたスマホで給水ユニットの運転状態が簡単に取得でき、視認性の向上、点検作業の効率化が計れます。④ノイズ・高調波抑制&力率改善 ノイズフィルタ、DCリアクトルを標準で内蔵しており、ノイズ、高調波を抑制し、トラブルを未然に防ぎます。また、DCリアクトルにより力率が85.5%以上となり、電気基本料金が5%割引になります。⑤容易な施工・メンテナンス性
ポンプごとに吐出し側仕切弁を標準装備。また、圧力タンクや圧力センサも取り外し易くなり、メンテナンス性が向上しました。また、吐出し方向は左右の選択が可能です。
⑥豊富な装備を標準搭載 受水槽制御は設定コードの変更によって、多方式から選択でき、市水流入弁は、電磁弁の他に、標準で電動弁の対応が可能です。また、漏電遮断器をポンプごとに標準装備しています。⑦保守管理が容易 設定圧力は操作パネルで簡単入力。設定圧力に対応する使用最大水量は、学習による自動設定です。⑧インバータに強制運転スイッチ搭載 万が一、メイン基板が故障した場合でも、強制運転スイッチをONに切り替えるとインバータパネルからポンプを手動運転でき、給水を継続できます。⑨配管方向を現場で選択可能 吐出し方向は、現場納入後に左右いずれにも選択できるため、配管施工の自由度を向上します。⑩バックアップ運転機能も充実 ポンプ故障、インバータ故障の場合には、自動的に他のポンプ運転に切り替り、万一の場合にも運転継続が可能です。更に、制御システムバックアップ仕様(特殊仕様)の場合、制御基板・圧力センサ故障時に自動で予備回路へ切り替わり、正常時と同様の運転を継続することができます。
フレッシャー3100BN型 推定末端圧力一定台数制御給水ユニット(インバータ方式) 3台ローテーション2台並列運転型 BNEME型  三相・200/220V 荏原製作所 https://www.ebara.co.jp 沖縄・離島は別途割増価格となります。 230kg 寸法確認(外形図)を開く 性能確認(性能曲線)を開く

カテゴリ一覧

ページトップへ

この商品のレビュー ☆☆☆☆☆ (0)

レビューはありません。

レビューを投稿